Индустриска брава за врата на кабинетоте клучната заштитна компонента на дистрибутивниот кабинет, комуникацискиот кабинет, контролната кутија и друга опрема, која е директно поврзана со безбедноста на внатрешните електрични компоненти и стабилното функционирање на системот.
Со цел да се задоволат разновидните барања за време на испорака и спецификации за различни проекти, нашата компанија секогаш има пет типа најчесто користени брави на залиха --Долга лента за заклучување, Заклучување на панелот, Заклучување за контрола на прачка, Заклучување на рачката,Заклучување со ротирачки јазик. Во исто време, поддржуваме секоја нестандардна брава прилагодена според цртежи или примероци, што е совршено погодно за сите видови метални кутии за дистрибуција.
Авионската брава е еден од најчестите типови на брави за врати на индустриски кабинети, и убави и лесни за одржување. Нашата компанија ја лансираше авионската брава од сериите AB301, AB302, AB303, AB402, AB403, во структурната цврстина, заштитните перформанси и оперативното чувство на диференцираниот дизајн, може да ги исполни различните спецификации на дистрибутивната кутија, барањата за инсталација на контролниот кабинет.
| Димензии | Број на производ | |||||||
| L1 | L2 | L3 | Б1 | Б2 | Сива хромирана облога | Сива боја со спреј | Обложен со црн прав | Тежина (g) |
| 147 | 117 | 72 | 33 | 26.5 | AB301-1-1.2 | AB301-1-1.8 | AB301 | 370 |
| 120.5 | 95.5 | 65 | 30 | 23.5 | AB301-2-1.2 | AB301-2-1.8 | AB302 | 290 |
| 87.5 | 62.5 | 65 | 28.5 | 23.5 | AB301-3-1.2 | AB301-3-1.8 | AB303 | 215 |
Главен материјал: легура на цинк.
Површинска обработка: светол хром, мат, црна.
Функција и употреба: Отворете ја левата и десната врата, лесен за употреба, со запечатување и водоотпорна функција.
Главен материјал: легура на цинк.
Површинска обработка: светол хром, мат, црна.
Функција и употреба: Отворете ја левата и десната врата, лесен за употреба, со запечатување и водоотпорна функција.
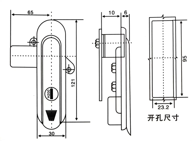
Материјал: тело за заклучување од легура на цинк, ротирачко вратило, завртка од галванизиран челик, плоча под притисок.
Површинска обработка: сребрено сив нано спреј.
Опис на структурата: Ротирајте 90 степени за да се отвори или заклучи.
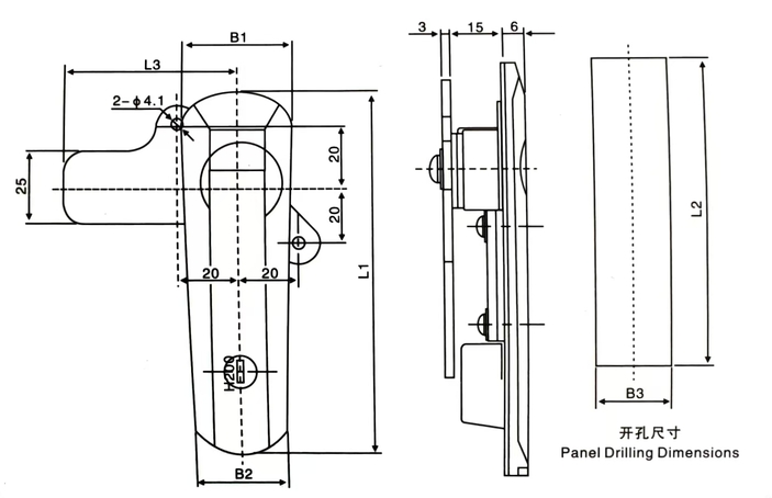
| МОДЕЛ | L1 | L2 | L3 | Б1 | Б2 | Б3 |
| НОВ AB402-A | 123 | 95.5 | 65 | 36.5 | 30 | 23.5 |
| НОВ AB403-A | 91 | 62.5 | 65 | 33 | 28.5 | 23.5 |
| НОВ AB401-A | 151 | 117 | 72 | 36 | 30 | 26.5 |
